テーパネックボール
- φ4
- HARDMAX
- 2枚刃
- 超硬合金
対応被削材 (◎→○→△ の順に推奨)
|
炭素鋼 S45C S55C |
合金鋼 SK/SCM SUS |
プリハードン鋼 NAK HPM |
焼入れ鋼 | 鋳鉄 | アルミ合金 | グラファイト | 銅 | 樹脂 |
ガラス入り 樹脂 |
チタン合金 | 超耐熱合金 | 超硬合金 | 硬脆材 | ||||
|---|---|---|---|---|---|---|---|---|---|---|---|---|---|---|---|---|---|
| ~50HRC | ~55HRC | ~60HRC | ~65HRC | ~70HRC | |||||||||||||
| △ | △ | 〇 | 〇 | 〇 | 〇 | 〇 | △ | 〇 | △ | △ | |||||||
工具情報
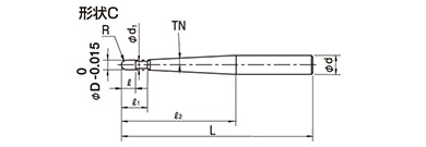
寸法単位 [mm]
| 製品写真 |
|
|---|---|
| 工具形状 | テーパネックボール |
| 製品コード | 2925051 |
| 型番 | HTNB2040-800-3 |
| ボールR(R) | R2 |
| 刃長(ℓ) | 3.2 |
| 首部テーパ半角 | 1°30′ |
| 首下長 | 80 |
| 全長(L) | 130 |
| シャンク径(φd) | 8 |
| コーティング | HARDMAX |
| 刃数 | 2 |
| 工具材種 | 超硬合金 |
| 希望小売価格 | ¥30,360 |
| 販売価格 | ¥20,042 |
| 溝長 | 3.2 |
|---|---|
| 先端角 | - |
| 首径(φd) | 3.87 |
| ねじれ角 | 30 |
| シャンクテーパ角(Bta) | - |
| 有効シャンク長(H) | - |
| 大端径 | - |
| シャンクテーパ形状 | - |

銅~65HRCまで幅広い被削材に対応。
深掘り加工で高品位な加工面を実現。